欢迎光临 : 施尔宝电气有限公司 官网!
服务热线:400-0007-567
首页
关于我们
关于我们
公司简介
荣誉资质
公司环境
新闻中心
新闻中心
公司新闻
行业新闻
产品中心
产品中心
VS1(ZN63A-12)户内高压真空断路器
VS1(VBM7)-12侧装式户内高压真空断路器
VS1-12M户内永磁真空断路器
ZN63G(VS1)-24户内高压真空断路器(高原型)
ZN85-40.5户内高压真空断路器
ZW32-12户外真空断路器
ZW32-12M永磁户外真空断路器
ZW32-24户外高压真空断路器
ZW8-12户外高压真空断路器
ZW20-12户外高压交流真空断路器
FZW28-12户外高压交流真空负荷开关
ZW7-40.5户外高压真空断路器
FZN25-12户内交流高压真空负荷开关及熔断器组合电器
FKN12A-12压气负荷开关-熔断器组合电器
VS1/VD4/ZN85辅助手车系列
产品应用
资料下载
联系我们
网站首页
关于我们
公司简介
荣誉资质
公司环境
新闻中心
公司新闻
行业新闻
产品中心
VS1(ZN63A-12)户内高压真空断路器
VS1(VBM7)-12侧装式户内高压真空断路器
VS1-12M户内永磁真空断路器
ZN63G(VS1)-24户内高压真空断路器(高原型)
ZN85-40.5户内高压真空断路器
ZW32-12户外真空断路器
ZW32-12M永磁户外真空断路器
ZW32-24户外高压真空断路器
ZW8-12户外高压真空断路器
ZW20-12户外高压交流真空断路器
FZW28-12户外高压交流真空负荷开关
ZW7-40.5户外高压真空断路器
FZN25-12户内交流高压真空负荷开关及熔断器组合电器
FKN12A-12压气负荷开关-熔断器组合电器
VS1/VD4/ZN85辅助手车系列
产品应用
产品应用
资料下载
资料下载
联系我们
联系方式
产品分类
PRODUCT CATEGORY
VS1(ZN63A-12)户内高压真空断路器
VS1(VBM7)-12侧装式户内高压真空断路器
VS1-12M户内永磁真空断路器
ZN63G(VS1)-24户内高压真空断路器(高原型)
ZN85-40.5户内高压真空断路器
ZW32-12户外真空断路器
ZW32-12M永磁户外真空断路器
ZW32-24户外高压真空断路器
ZW8-12户外高压真空断路器
ZW20-12户外高压交流真空断路器
FZW28-12户外高压交流真空负荷开关
ZW7-40.5户外高压真空断路器
FZN25-12户内交流高压真空负荷开关及熔断器组合电器
FKN12A-12压气负荷开关-熔断器组合电器
VS1/VD4/ZN85辅助手车系列
联系我们
CONTACT US
电话:400-0007-567
地址:浙江省乐清市柳市镇吕岙工业区
网址:http://www.shierbao.com
当前位置:
首页
>
产品中心
>
FZN25-12户内交流高压真空负荷开关及熔断器组合电器
>
FZN25-12户内交流高压真空负荷开关及熔断器组合电器
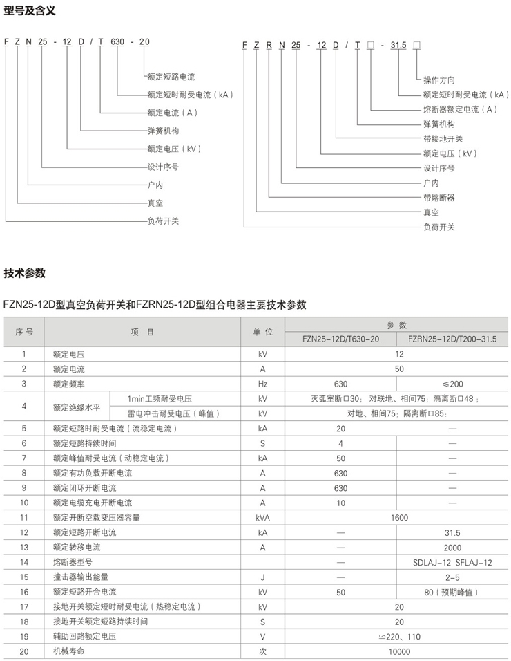
FZN25-12户内交流高压真空负荷开关及熔断器组合电器
电话:400-0007-567
详细信息
没有了
没有了
FZN25-12户内交流高压真空负荷开关及熔断器组合电器
© 施尔宝电气有限公司
浙ICP备2021035619号-1
XML
网站地图
网站制作维护:
传信网络
微信
咨询
扫一扫,加我为朋友
服务
热线
400-0007-567
服务热线